

基本快动开关,高精度微动开关,用于大通断容量应用,IP40防护等级,可配螺柱或焊片端子,可更换多种执行端子。
|
Descriptions |
| Approval |
EN 61058-1 UL 61058-1 |
| Housing | Glass fiber reinforced (PBT or PA 6T/66) |
| Plunger | PBT |
| Mechanism Contacts | Change-over, Snap-action with blade in Beryllium Copper |
| Contact material | Fine Silver, Gold contact upon request |
| Termination | Screw, soldering lugs, protective cover upon request |
| Actuator | Overall dimensions in stainless steel |
| Degree of protection |
Housing IP40 Terminals IP00 Cover IP20 |
| Class of protection | II |
| Micro-switch | μ |
| Contac-gap | 0.30 mm |
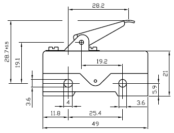
| Dimensions |
DIN 41 635, form A 49 x 21 x 17 mm |
| Power rating |
250VAC / 15A |
| Operating range force | 0.2 to 6.0 N, depending actuator |
| Operating temperature range |
EN 61058 -40°C to +130°C (PBT and PA 6T/66) UL 61058 -40°C to +110°C (PA 6T/66) UL 61058 -40°C to +130°C from the second half of 2014 (PBT) |
| Mechanical life | 50 x 106 |
| Standard | 50'000 cycles |
| MP40 + Protective cover MP40-Z |


|
Actuator |
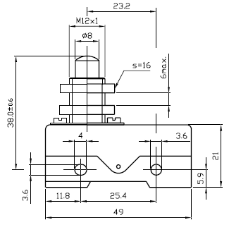
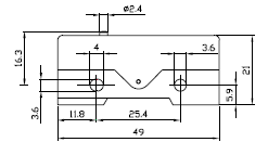
| Type 0 : Basic switch | ||
![]() |
Actuating Force Fa max. (N) Release Force Fr min (N) Free Position Pr (mm) Operating Position Pa (mm) Over-travel sr min. (mm) Differential movement sd max. (mm) |
5.0 2.5 16.3 ± 0.5 15.9 ± 0.3 0.25 0.05 |
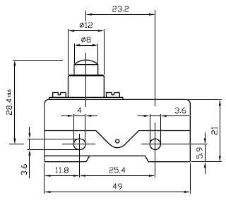
| Type 1S29 : Plunger | ||
![]() |
Actuating Force Fa max. (N) Release Force Fr min (N) Free Position Pr (mm) Operating Position Pa (mm) Over-travel sr min. (mm) Differential movement sd max. (mm) |
5.0 2.5 28.4 ± 0.6 27.9 ± 0.3 2.0 0.05 |
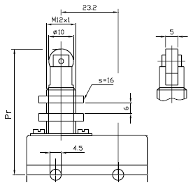
| Type 1A : Plunger, thread short | ||
![]() |
Actuating Force Fa max. (N) Release Force Fr min (N) Free Position Pr (mm) Operating Position Pa (mm) Over-travel sr min. (mm) Differential movement sd max. (mm) |
5.0 2.5 38.0 ± 0.6 37.5 ± 0.3 5.0 0.05 |
| Type 1A58 : Plunger, thread | ||
![]() |
Actuating Force Fa max. (N) Release Force Fr min (N) Free Position Pr (mm) Operating Position Pa (mm) Over-travel sr min. (mm) Differential movement sd max. (mm) |
5.0 2.5 57.2 ± 1.0 56.7 ± 0.3 10.0 0.10 |
| Type 1BL : Toller plunger, thread - Upon request steel roller , transversal roller | ||
![]() |
Actuating Force Fa max. (N) Release Force Fr min (N) Free Position Pr (mm) Operating Position Pa (mm) Over-travel sr min. (mm) Differential movement sd max. (mm) |
5.0 2.5 50.3 ± 0.6 49.8 ± 0.3 5.0 0.05 |
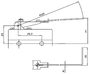
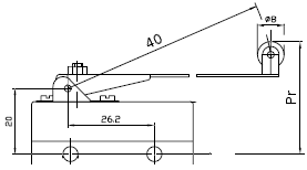
| Type 3A : Lever - reverse action - Upon request lever other side | ||
![]() |
Actuating Force Fa max. (N) Release Force Fr min (N) Free Position Pr (mm) Operating Position Pa (mm) Over-travel sr min. (mm) Differential movement sd max. (mm) |
4.5 1.5 28.7 ± 1.5 26.8 ± 1.5 3.5 0.50 |
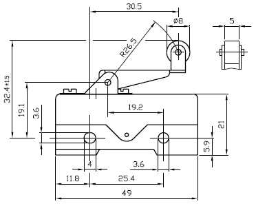
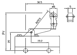
| Type 5AL : Roller lever - reverse action - Upon request lever other side, steel roller, transversal roller | ||
![]() |
Actuating Force Fa max. (N) Release Force Fr min (N) Free Position Pr (mm) Operating Position Pa (mm) Over-travel sr min. (mm) Differential movement sd max. (mm) |
4.5 1.5 32.4 ± 1.5 30.0 ± 1.5 3.5 0.50 |
| Type 6AL : Stiff roller lever - reverse action - Upon request lever other side, steel roller, transversal roller | ||
![]() |
Actuating Force Fa max. (N) Release Force Fr min (N) Free Position Pr (mm) Operating Position Pa (mm) Over-travel sr min. (mm) Differential movement sd max. (mm) |
4.5 1.5 38.4 ± 1.5 36.0 ± 1.5 3.5 0.50 |
| Type 7A40 : Direct action adjustable lever | ||
![]() |
Actuating Force Fa max. (N) Release Force Fr min (N) Free Position Pr (mm) Operating Position Pa (mm) Over-travel sr min. (mm) Differential movement sd max. (mm) |
0.5 0.15 - - - 0.70 |
| Type 7AC : Direct action adjustable lever | ||
![]() |
Actuating Force Fa max. (N) Release Force Fr min (N) Free Position Pr (mm) Operating Position Pa (mm) Over-travel sr min. (mm) Differential movement sd max. (mm) |
0.2 0.05 - - - 3.00 |
| Type 8AL40 : Direct action adjustable roller lever | ||
![]() |
Actuating Force Fa max. (N) Release Force Fr min (N) Free Position Pr (mm) Operating Position Pa (mm) Over-travel sr min. (mm) Differential movement sd max. (mm) |
0.5 0.15 - - - 0.70 |
|
Standard wiring diagram |
| Code Actuator | Diagram | ||
| Direct action |
0 1S29 1A 1A58 1BL 7A40 7AC 8AL40 |
![]() |
|
| Reverse action |
3A 5AL 6AL |
![]() |
| Ordering information |
| MP | 4 | 0 | - | 5AL | + | MP40-Z | |
|
Housing 4 : screw terminal 5 : soldering lugs |
|||||||
|
Contact material 0 : Silver contact 1 : Gold contact |
|||||||
|
Actuator 0: Basic switch - pin plunger 1S29 : Plunger 1A : Plunger, thread short 1A58 : Plunger, thread 1BL : Roller plunger, thread 3A : Lever - reverse action 5AL : Roller lever - reverse action 6AL : Stiff roller lever - reverse action 7A40 : Direct action adjustable lever 7AC : Direct action adjustable lever 8AL40 : Direct action adjustable roller lever |












