

密封基本快动开关。 高精度微动开关,用于大通断容量应用。IP67/IP68防护等级,可更换多种执行端子。开关动作部件完全由外壳封装,通过超声波焊接装配而成。
该型号属于快动转换开关,单相或双相开关动作,由嵌入式电缆连接。通过变换5个端子的连接方式,可以获得3、4或5路电路。
|
Descriptions |
MP210 |
MP220 |
|
![]() |
![]() |
|
| Approval |
EN 61058-1 UL 61058-1 upon request CSA C22.2 |
EN 61058-1 UL61058-1 |
| Standard |
EN 61058 50'000 cycles UL 61058 50'000 cycles CSA C22.2 6'000 cycles |
EN 61058 50'000 cycles UL 61058 50'000 cycles |
| Power rating |
250VAC / 15A - Wires 1.50 mm2 400VAC / 10A - Wires 1.00 mm2 |
250VAC / 10A - Wires 1.00 mm2 |
| Housing | Glass fiber reinforced (PBT or PA 6T/66) | |
| Plunger | PC | |
| Membrane | Fluorsilicone - Upon request other material | |
| Mechanism | Snap-action with blade in Beryllium Copper | |
| Contact material | Fine Silver, Gold contact upon request | |
| Termination cable |
PVC -20°C to 105°C PVCU -20°C to 105°C (UL approval) PUR -40°C to 90°C SI -40°C to 130°C |
|
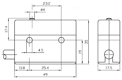
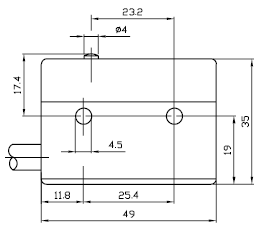
| Actuator | Overall dimensions in stainless steel | |
| Degree of protection |
Housing IP67 - Upon request IP68 Connexion IP67 |
|
| Class of protection | II | |
| Micro-switch | μ | |
| Contac-gap | 0.80 mm | |
| Dimensions |
DIN 41 635, E - form 49 x 35 x 17.5 mm |
|
| Operating range force | 0.2 to 6.0 N, depending actuator | |
|
Operating temperature housing (cable choice may lower temperature) |
EN 61058 -40°C to +130°C (PBT and PA 6T/66) UL 61058 -40°C to +115°C (PA 6T/66) UL 61058 -40°C to +125°C (PBT) |
|
| Mechanical life | 50 x 106 | |

|
Actuator |
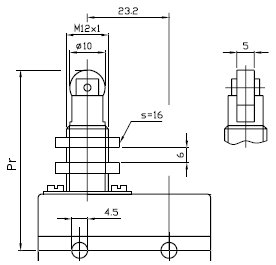
| Type 0 : Basic switch | ||
![]() |
Actuating Force Fa max. (N) Release Force Fr min (N) Free Position Pr (mm) Operating Position Pa (mm) Over-travel sr min. (mm) Differential movement sd max. (mm) |
6.0 2.5 17.4 ± 0.5 16.5 ± 0.3 0.25 0.10 |
| Type 1S29 : Plunger | ||
![]() |
Actuating Force Fa max. (N) Release Force Fr min (N) Free Position Pr (mm) Operating Position Pa (mm) Over-travel sr min. (mm) Differential movement sd max. (mm) |
6.0 2.5 29.3 ± 0.6 28.4 ± 0.3 2.0 0.12 |
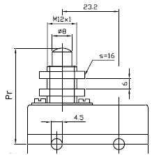
| Type 1A : Plunger, thread short | ||
![]() |
Actuating Force Fa max. (N) Release Force Fr min (N) Free Position Pr (mm) Operating Position Pa (mm) Over-travel sr min. (mm) Differential movement sd max. (mm) |
6.0 2.5 39.1 ± 0.6 38.4 ± 0.3 5.0 0.12 |
| Type 1A58 : Plunger, thread | ||
![]() |
Actuating Force Fa max. (N) Release Force Fr min (N) Free Position Pr (mm) Operating Position Pa (mm) Over-travel sr min. (mm) Differential movement sd max. (mm) |
6.0 2.5 58.0 ± 1.0 57.2 ± 0.3 10.0 0.12 |
| Type 1BL : Roller plunger, thread - Upon request steel roller , transversal roller | ||
![]() |
Actuating Force Fa max. (N) Release Force Fr min (N) Free Position Pr (mm) Operating Position Pa (mm) Over-travel sr min. (mm) Differential movement sd max. (mm) |
6.0 2.5 51.4 ± 0.6 50.7 ± 0.3 5.0 0.12 |
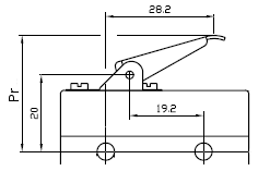
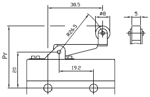
| Type 3A : Lever - reverse action - Upon request lever other side | ||
![]() |
Actuating Force Fa max. (N) Release Force Fr min (N) Free Position Pr (mm) Operating Position Pa (mm) Over-travel sr min. (mm) Differential movement sd max. (mm) |
4.5 1.2 31.1 ± 1.5 29.0 ± 1.5 3.5 0.80 |
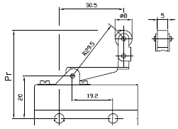
| Type 5AL : Roller lever - reverse action - Upon request lever other side, steel roller, transversal roller | ||
![]() |
Actuating Force Fa max. (N) Release Force Fr min (N) Free Position Pr (mm) Operating Position Pa (mm) Over-travel sr min. (mm) Differential movement sd max. (mm) |
4.5 1.2 35.5 ± 1.5 32.5 ± 1.5 3.5 0.90 |
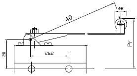
| Type 6AL : Stiff roller lever - reverse action - Upon request lever other side, steel roller, transversal roller | ||
![]() |
Actuating Force Fa max. (N) Release Force Fr min (N) Free Position Pr (mm) Operating Position Pa (mm) Over-travel sr min. (mm) Differential movement sd max. (mm) |
4.5 1.2 41.6 ± 1.5 38.6 ± 1.5 3.5 0.90 |
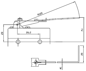
| Type 7A40 : Direct action adjustable lever | ||
![]() |
Actuating Force Fa max. (N) Release Force Fr min (N) Free Position Pr (mm) Operating Position Pa (mm) Over-travel sr min. (mm) Differential movement sd max. (mm) |
0.6 0.2 - Ajustable - 1.20 |
| Type 7AC : Direct action adjustable lever | ||
![]() |
Actuating Force Fa max. (N) Release Force Fr min (N) Free Position Pr (mm) Operating Position Pa (mm) Over-travel sr min. (mm) Differential movement sd max. (mm) |
0.2 0.05 - Ajustable - 5.00 |
| Type 8AL40 : Direct action adjustable roller lever | ||
![]() |
Actuating Force Fa max. (N) Release Force Fr min (N) Free Position Pr (mm) Operating Position Pa (mm) Over-travel sr min. (mm) Differential movement sd max. (mm) |
0.6 0.2 - Ajustable - 1.20 |
| Standard wiring diagram |
| Code Actuator | Diagram | Color | ||
| Direct action |
0 1S29 1A 1A58 1BL 7A40 7AC 8AL40 |
MP210 |
![]() |
PVC / PVCU : 1 / Brown - 2 / Black - 4 / Blue SI : 1 / Red - 2 / White - 4 / Blue PUR : 1 / Red - 2 / White - 4 / Blue |
| MP220 |
![]() |
PVC / PVCU : 11/12 - Brown ; 23/24 - Blue SI : 11/12 - White ; 23/24 - Blue PUR : 11/12 - Brown ; 23/24 - Blue |
||
| Reverse action |
3A 5AL 6AL |
MP210 |
![]() |
PVC / PVCU : 1 / Brown - 2 / Black - 4 / Blue SI : 1 / Red - 2 / White - 4 / Blue PUR : 1 / Red - 2 / White - 4 / Blue |
| MP220 |
![]() |
PVC / PVCU : 11/12 - Brown ; 23/24 - Blue SI : 11/12 - White ; 23/24 - Blue PUR : 11/12 - Brown ; 23/24 - Blue |
||
| Ordering information |
| MP2 | 1 | 0 | - | 5AL | / | 3 | 100 | / | 200 | SI | |
|
Circuit 1 : Changeover 2 : Double break |
|||||||||||
|
Contact material 0 : Silver contact 1 : Gold contact |
|||||||||||
|
Actuator 0: Basic switch - pin plunger 1S29 : Plunger 1A : Plunger, thread short 1A58 : Plunger, thread 1BL : Roller plunger, thread 3A : Lever - reverse action 5AL : Roller lever - reverse action 6AL : Stiff roller lever - reverse action 7A40 : Direct action adjustable lever 7AC : Direct action adjustable lever 8AL40 : Direct action adjustable roller lever |
|||||||||||
|
Number of conducteur 3 : MP210 Changeover 4 : MP220 Double break |
|||||||||||
|
Wires Section 100 : 1.00mm2 - 400VAC / 10A (MP210) 250VAC / 10A (MP220) 150 : 1.50mm2 - 250VAC / 15A (MP210) |
|||||||||||
|
Length of the cable in centimeter (cm) |
|||||||||||
|
Cable material PVC :-20°C to 105°C PVCU : -20°C to 105°C (UL approval) SI : Silicone -40°c to 130°C PUR : Polyurethane -40°C to 90°C |












