

小型微动开关,IP67/68防护等级,工作温度可达170°C,不锈钢杠杆,主要应用于环境极其恶劣的工况下,可灵活地配置套筒式或杠杆式执行器,也具有标准的套筒式活塞执行器。当然,也可以根据具体应用定制执行端子,其实际应用无可限量。
|
Descriptions |
| Approvals |
EN 61058-1 Upon request: UL 61058, CSA C22.2, ATEX II3d/Ex t IIIB 84°C Dc |
| Housing | Glass fiber reinforced |
| Plunger | PPS |
| Membrane | Fluorsilicone elastomer, other material upon request |
| Mechanism Contacts | Change-over, Snap-action with blade in Beryllium Copper |
| Contact material | Fine Silver, Gold contact upon request |
| Termination |
Cable and Leads: Standard 0.75 mm2 / 19 AWG PVC / PVCU -20°C to 105°C PUR -40°C to 90°C SI -40°C to 130°C PTFE -40° to 170°C Other material upon request |
| Cable outlet |
Standard side of button Other side upon request |
| Actuator | Overall dimensions in stainless steel |
| Degree of protection |
IP67 Upon request IP68 |
| Class of protection | II |
| Micro-switch | μ |
| Contact-gap | 0.80 mm |
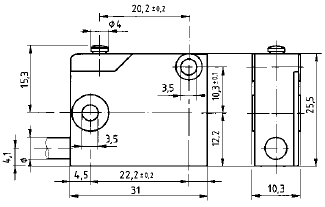
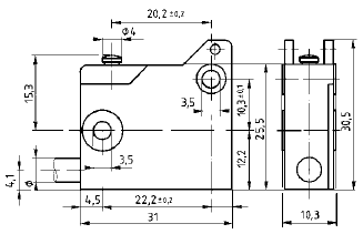
| Dimensions |
DIN 41 635, form A 31 x 24 x 10.3 mm |
| Power rating | 250VAC / 6A |
| Operating range force | 1.3 to 4.0 N, depending actuator |
|
Operating temperature range (cable choice may lower temperature) |
EN 61058 -40°C to +130°C depending cable (+170°C upon request) UL 61058 -40°C to +140°C (upon request) EN 60079 (ATEX) -15°C to +80°C (upon request) CSA - C22.2 T amb. (upon request) |
| Mechanical life | 50 x 106 |
| Standards |
EN61058 50'000 cycles UL61058 50'000 cycles CSA C22.2 6'000 cycles |
| MP310 | MP320 |
![]() |
![]() |
|
Actuator |
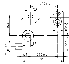
| Type 0 : Basic switch | ||
![]() |
Actuating Force Fa max. (N) Release Force Fr min (N) Free Position Pr (mm) Operating Position Pa (mm) Over-travel sr min. (mm) Differential movement sd max. (mm) |
3.5 1.0 15.3 ± 0.3 14.7 ± 0.2 0.20 0.05 |
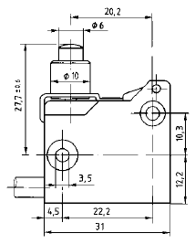
| Type 1MS27 : Telescopic plunger | ||
![]() |
Actuating Force Fa max. (N) Release Force Fr min (N) Free Position Pr (mm) Operating Position Pa (mm) Over-travel sr min. (mm) Differential movement sd max. (mm) |
3.5 1.0 27.7 ± 0.6 27.2 ± 0.3 2.0 0.1 |
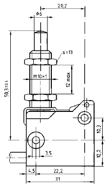
| Type 1M : Telescopique plunger, thread | ||
![]() |
Actuating Force Fa max. (N) Release Force Fr min (N) Free Position Pr (mm) Operating Position Pa (mm) Over-travel sr min. (mm) Differential movement sd max. (mm) |
3.5 1.0 50.3 ± 0.6 49.7 ± 0.3 5.0 0.1 |
| Type 1ML : Telescopic with roller, thread - upon request transversal roller | ||
![]() |
Actuating Force Fa max. (N) Release Force Fr min (N) Free Position Pr (mm) Operating Position Pa (mm) Over-travel sr min. (mm) Differential movement sd max. (mm) |
3.5 1.0 49.8 ± 0.6 48.3 ± 0.3 5.0 0.1 |
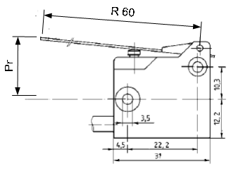
| Type 3MA : Stiff lever - reverse action - Upon request lever outside of switch | ||
![]() |
Actuating Force Fa max. (N) Release Force Fr min (N) Free Position Pr (mm) Operating Position Pa (mm) Over-travel sr min. (mm) Differential movement sd max. (mm) |
2.5 1.0 26.0 ± 1.0 24.2 ± 0.6 2.5 0.8 |
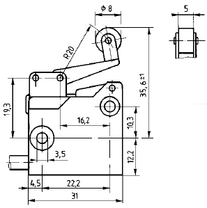
| Type 5MAL : Stiff roller-lever - reverse action - Upon request lever outside of switch, Stainless steel roller | ||
![]() |
Actuating Force Fa max. (N) Release Force Fr min (N) Free Position Pr (mm) Operating Position Pa (mm) Over-travel sr min. (mm) Differential movement sd max. (mm) |
3.0 1.0 35.6 ± 1.0 34.0 ± 0.6 2.5 0.8 |
| Type 6MAL : Stiff tip-action roller - reverse action - Upon request lever outside of switch, Stainless steel roller | ||
![]() |
Actuating Force Fa max. (N) Release Force Fr min (N) Free Position Pr (mm) Operating Position Pa (mm) Over-travel sr min. (mm) Differential movement sd max. (mm) |
3.0 1.0 41.5 ± 1.0 39.8 ± 0.6 2.5 0.8 |
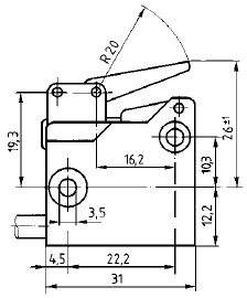
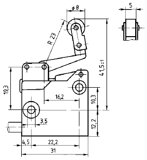
| Type 7M : Stiff lever - direct action | ||
![]() |
Actuating Force Fa max. (N) Release Force Fr min (N) Free Position Pr (mm) Operating Position Pa (mm) Over-travel sr min. (mm) Differential movement sd max. (mm) |
1.3 0.3 19.0 ± 1.0 16.5 ± 0.8 0.5 0.8 |
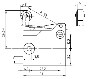
| Type 8ML25 : Stiff roller - lever - direct action - Upon request Stainless steel roller | ||
![]() |
Actuating Force Fa max. (N) Release Force Fr min (N) Free Position Pr (mm) Operating Position Pa (mm) Over-travel sr min. (mm) Differential movement sd max. (mm) |
3.5 1.0 26.5 ± 1.0 25.7 ± 0.3 0.2 0.1 |
| Standard wiring diagram |
| Code Actuator | Diagram | Color | |
| Direct action |
0 1MS27 1M 1ML 7M 8ML25 |
![]() |
1 : Brown 2 : Black 4 : Blue |
| Reverse action |
3M 5MAL 6MAL |
![]() |
| Ordering information |
| MP3 | 2 | 0 | - | 8ML25 | / | 375 | / | 100 | PVC | |
|
Housing 1: without lever 2: with lever |
||||||||||
|
Contact material 0: Silver contact 1: Gold contact |
||||||||||
|
Actuator 0: Basic switch - pin plunger 1MS27 : Plunger 1M : Plunger, thread short 1ML : Roller plunger, thread 3MA : Lever - reverse action 5MAL : Roller lever - reverse action 6MAL : Stiff roller lever - reverse action 7M : Direct action lever 8ML25 : Direct action roller lever |
||||||||||
|
375 : 3 Wires section 0.75 mm2 / 19 AWG |
||||||||||
| Lenght of cable in cm | ||||||||||
|
Material of cable PVC: Polyvinyl Chloride PVCU : Switch with UL certification PUR: Polyurethane SI: Silicone |












