

A Subminiature microswitch of standardized small dimensions. The MP500 series stands out from other products on the market in terms of its mechanical service life and the choice of materials, wich enable it to resist temperatures up to 105 °C (221°F).
For applications with light forces of actuations as in pressostat, the microswitch can be delivered with a modified spring. The dimensional, electrical and IP protection parameters remain unchanged.
A variant without a protective membrane is available for use when the need for environmental protection (moisture and dust) is not necessary.
|
Descriptions |
| Approvals |
EN 61058-1 UL 61058-1 |
|
| Housing | Glass fiber reinforced | |
| Plunger | PES | |
| Membrane | Fluorsilicone elastomer | |
| Mechanism Contacts | Change-over, Snap action coil spring mechanism with stainless steel spring | |
| Contact material | Fine Silver, Gold contact upon request | |
| Termination |
Cable PVC -20°C to 105°C (-4°F to 221°F) Solder terminal -40°C to 105°C (-4°F to 221°F) PCB -40°C to 105°C (-4°F to 221°F) |
|
| Actuator | Overall dimensions in stainless steel, flat lever , roller, simulated roller | |
| Degree of protection |
IP67 |
|
| Class of protection |
I 250V II / III 24V |
|
| Pollution degree | 3 | |
| Proof tracking index PTI | 250V | |
| Glow-wire temp. | 850°C | |
| Micro-disconnection | μ | |
| Contact-gap | 0.40 mm | |
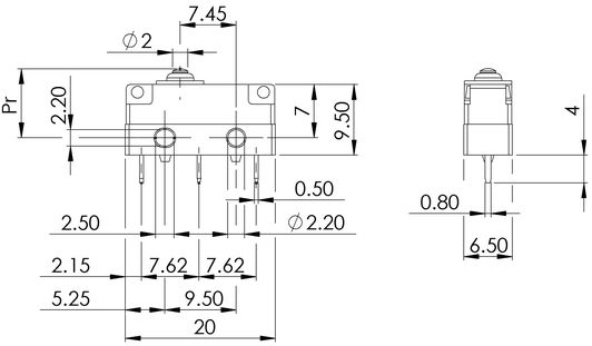
| Dimensions |
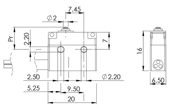
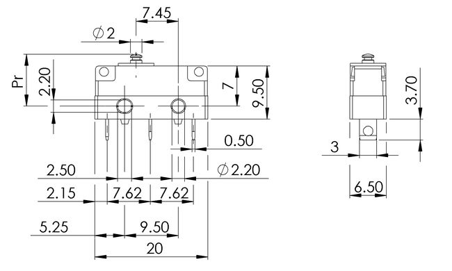
DIN 41 635, form B 20 x 16 x 6.5 mm (0.7874 x 0.6299 x 0.2559 in) |
|
|
Power rating UL / EN 61058 (R: Resistive Load) |
5RA 250VAC 25'000 cycles 2RA 250VAC 50'000 cycles 0.1RA 24VDC 50'000 cycles |
|
| Operating range force | 0.5 to 2.5 N, depending actuator | |
| Operating temperature range | -40°C to 105°C (-40°F to 221°F) | |
| Mechanical life | 10 x 106 | |
| Casing |
|
IP67 |
IP40 |
|
![]() |
![]() |
|
| Actuating Force Fa max 2.5 (N) standard | MP500 | MP550 |
| Actuating Force Fa max 1.2 (N) | MP520 | MP570 |
| Actuators |
| L70/71 | L80/81 | L85/86 |
|
|
![]() |
|
|
Characteristic |
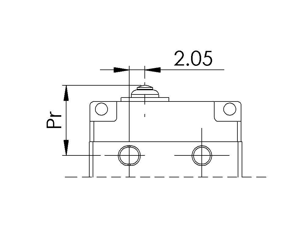
| Type L00 : Pin plunger - without lever | ||||||
![]() |
|
MP500 - MP550 | MP520 - MP570 | |||
|
Actuating Force Fa max. (N) Release Force Fr min (N) Free Position Pr (mm) Operating Position Pa (mm) Over-travel sr min. (mm) Differential movement sd max. (mm) |
2.5 0.5 9.3 ± 0.2 9.0 ± 0.2 0.6 0.05 |
1.2 0.2 9.3 ± 0.2 9.0 ± 0.2 0.6 0.05 |
||||
| Type L70 : Flat lever - position A | ||||||
![]() |
|
MP500 - MP550 | MP520 - MP570 | |||
|
Actuating Force Fa max. (N) Release Force Fr min (N) Free Position Pr (mm) Operating Position Pa (mm) Over-travel sr min. (mm) Differential movement sd max. (mm) |
1.0 0.15 12.0 ± 0.4 10.6 ± 0.4 1.2 0.40 |
0.6 0.1 12.0 ± 0.4 10.6 ± 0.4 1.2 0.40 |
||||
| Type L71 : Flat lever - position B | ||||||
![]() |
|
MP500 - MP550 | MP520 - MP570 | |||
|
Actuating Force Fa max. (N) Release Force Fr min (N) Free Position Pr (mm) Operating Position Pa (mm) Over-travel sr min. (mm) Differential movement sd max. (mm) |
2.0 0.3 10.3 ± 0.4 9.7 ± 0.4 0.6 0.30 |
1.0 0.2 10.3 ± 0.4 9.7 ± 0.4 0.6 0.30 |
||||
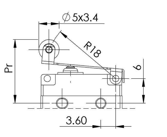
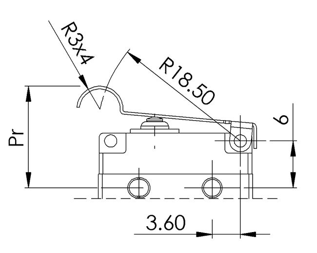
| Type L80 : Roller - position A | ||||||
![]() |
|
MP500 - MP550 | MP520 - MP570 | |||
|
Actuating Force Fa max. (N) Release Force Fr min (N) Free Position Pr (mm) Operating Position Pa (mm) Over-travel sr min. (mm) Differential movement sd max. (mm) |
1.0 0.15 17.2 ± 0.4 16.0 ± 0.4 1.2 0.40 |
0.6 0.1 17.2 ± 0.4 16.0 ± 0.4 1.2 0.40 |
||||
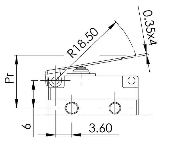
| Type L81 : Roller - position B | ||||||
![]() |
|
MP500 - MP550 | MP520 - MP570 | |||
|
Actuating Force Fa max. (N) Release Force Fr min (N) Free Position Pr (mm) Operating Position Pa (mm) Over-travel sr min. (mm) Differential movement sd max. (mm) |
2.0 0.3 15.7 ± 0.4 15.1 ± 0.4 0.6 0.30 |
1.0 0.2 15.7 ± 0.4 15.1 ± 0.4 0.6 0.30 |
||||
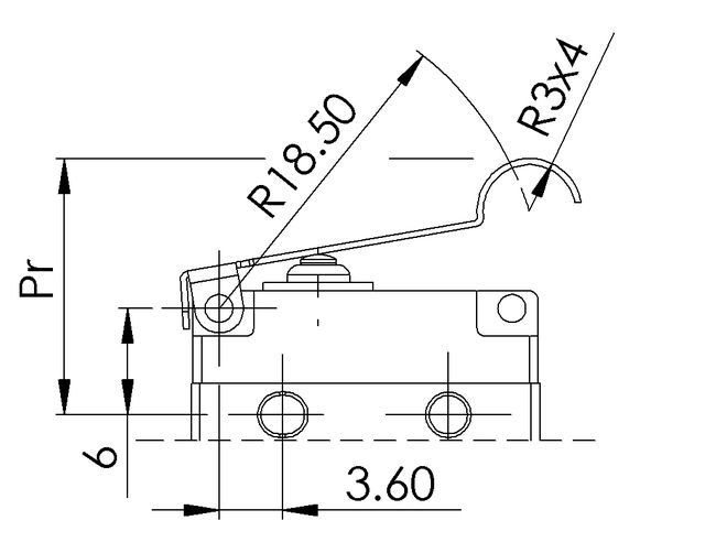
| Type L85 : Simulated roller - position A | ||||||
![]() |
|
MP500 - MP550 | MP520 - MP570 | |||
|
Actuating Force Fa max. (N) Release Force Fr min (N) Free Position Pr (mm) Operating Position Pa (mm) Over-travel sr min. (mm) Differential movement sd max. (mm) |
1.0 0.15 14.7 ± 0.4 13.5 ± 0.4 1.2 0.40 |
0.5 0.1 14.7 ± 0.4 13.5 ± 0.4 1.2 0.40 |
||||
| Type L86 : Simulated roller - position B | ||||||
![]() |
|
MP500 - MP550 | MP520 - MP570 | |||
|
Actuating Force Fa max. (N) Release Force Fr min (N) Free Position Pr (mm) Operating Position Pa (mm) Over-travel sr min. (mm) Differential movement sd max. (mm) |
2.0 0.3 13.2 ± 0.4 12.6 ± 0.4 0.6 0.30 |
0.6 0.2 13.2 ± 0.4 12.6 ± 0.4 0.6 0.30 |
||||
| Terminations |
|
C000 Solder terminals |
C001 PCB terminals |
C100/C200 PVC cable overmould |
![]() |
![]() |
|
|
|
![]() |
![]() |
|
Flexible conductors to be used. With provisions for securing the conductor by mechanical means and providing circuit continuity by soldering. Soldering by hand with a soldering iron.
Remark : Avoid overheating as this may damage the switch.
Recommendation: Avoid overheating as this may damage the switch. Temperature of soldering iron max. 340 ° C for 4 seconds, using a welding wire preferably without Chlore. |
||
|
Standard wiring diagram |
|
Solder terminals PCB |
C000 C001 |
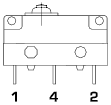
![]() |
![]() |
| PVC cable | C10. / C20. |
1 - Black 2 - Grey 4 - Blue |
|
| Ordering information |
| MP5 | 0 | 0 | - | L70 | - | C100 | |
|
Housing 0 : IP67 with membrane 2 : IP67 with membrane - Light Force 5 : IP40 without membrane 7 : IP40 without membrane - Light Force |
|||||||
|
Contact material 0 : Silver contact 1 : Gold contact |
|||||||
|
Actuator 0 : Basic switch - pin plunger L70 : Flat lever - A position L71 : Flat lever - B position L80 : Roller - A position L81 : Roller - B position L85 : Simulated Roller - A position L86 : Simulated Roller - B position |
|||||||
|
Terminals C000 : Solder C001 : PCB C100 : Cable PVC, 3x0.25 mm2, 250VAC 2A 0.5 (m) C101 : Cable PVC, 3x0.25 mm2, 250VAC 2A 1 (m) C102 : Cable PVC, 3x0.25 mm2, 250VAC 2A 2 (m) C200 : Cable PVC, 3x0.50 mm2, 250VAC 5A 0.5 (m) C201 : Cable PVC, 3x0.50 mm2, 250VAC 5A 1 (m) C202 : Cable PVC, 3x0.50 mm2, 250VAC 5A 2 (m) |












