
工作原理
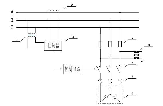
控制器根据采集到电网的实时数据进行判断,当控制器检测到系统无功功率低于设定值时,控制器发出合闸控制指令给真空接触器,将投入电容器组,当无功功率高于设定值时,控制器发出切除指令给真空接触器,将电容器切除,达到自动补偿的目的。

装置组成
1、进线柜(二面以上柜体集中补偿时安装此柜)
隔离开关
电流互感器
2、高压调谐柜
滤波电容器
调谐电抗器
真空接触器/真空断路器
功率因数控制器
高压带电显示器
避雷器
高压熔断器
综合保护装置
产品特点
高压电容器采用单相或三相聚丙烯薄膜做电介质的全膜电容器,内部充满不含氯化联苯的绝缘油,具有低损耗、高稳定性和寿命长的特点。
高压电容器内附熔丝,该熔丝设计可承受额定的过电压和过电流、电容器投切时的暂态电流、电容器内部其他故障导致的短路电流或串联电容器组保护间隙动作造成的瞬时过电压及过电流
采用环氧浇注干式铁芯串联电抗器,电抗器电抗率为6%(其他电抗率可选),有效限制合闸涌流,抑制5次及5次以上谐波谐振。
本装置采用高压真空接触器作为投切开关,具有分断能力强,无电弧重燃等特点,真空接触器的触头由特殊材料制成,特别适合开断容性电流,操作寿命长(达10万次以上)。
采用高压喷逐式熔断器作为电容器外部短路保护,确保设备安会运行
放电线圈直接与电容器并联使用,电容器从电网断开后,在5S内将电容器端子间的电压降至50V以下,放电线圈还可为并联电容器提供二次保护信号;
为限制投切电容器组引起的操作过电压,配有电容器专用的氧化锌避雷器
装置采用一个控制器进行控制,可实时显示运行参数及故障信息,具有RS-485通讯接口;
电容器采用单星形或双星形接线方式,保护方式主要有中性点不平衡电流、开口三角电压、差动电压等三种保护方式
装置具有过压、欠压、过流保护;
结构设计合理,热、动稳定性好,配有高压带电显示器,用于显示装置的投切状态,并有电磁锁、观察窗,具有强制闭锁功能,确保运行和维护人员安会
自动补偿装置分为二至六段投切,可根据总补偿容量灵活分组,补偿精度高、冲击小,能获得最大的无功补偿效果。
高压自动调谐滤波装置主要结构
铁芯电抗器+电容器,适用于室内开放式安装或柜体内安装,在系统电压相对较低(35KV以下),补偿容量相对较小时使用较多;
空气芯电抗器+电容器,适用于室外安装,系统电压相对较高,补偿容量相对较大时使用较多
一次方案图


系统电压:10kV、6kV、6.3kV。
工频主回路耐压:42kV/1min(10KV)
二次回路耐压:2.5kV/1min
控制柜中工作电压:AC/DC 220V±20%。
具有手动/自动控制方式;自动控制方式可以实时跟踪负荷补偿
具有完善的过压、欠压、过流、短路、缺相等保护措施
装置允许在工频1.1倍额定电压下长期运行
装置允许过电流能力为1.3倍额定电流
装置的实际电容与其额定电容之差不超过额定值0~+10%,各串联段的最大与最小电容之比不超过1.03,装置的任何两端子之间的电容最大值与最小值之比不超过1.06
投切电容器用的开关寿命:10万次
海拔高度:≤1000m
环境温度类别:-25℃—+45℃
相对湿度:40℃(或45℃)时,20%~90%
化学条件:安装场所应无有害气体及蒸汽,且无导电性尘埃。
安装场地应无剧烈震动和冲击。


